• Akcesoria meblowe
    • Dodatki do wnętrz
      • Krzesła i stoły
      • Lustra
      • Obrusy
      • Okleiny i naklejki
    • Elektryka i akcesoria
      • Akcesoria do ledów
      • Gniazda
      • Klips led
      • Oprawy LED
      • Oświetlenie
      • Przedłużacze
      • Taśmy LED
      • Włączniki
      • Zasilacze i sterowniki
    • Okucia
      • Hamulce i ograniczniki
      • Kółka
      • Nogi i nóżki
      • Podpórki
      • Systemy do drzwi przesuwnych
        • Szczotki przeciwkurzowe
        • Uszczelki silikonowe
      • Wsporniki do półek
      • Zamki meblowe
      • Zatrzaski meblowe
      • Zawieszki
    • Podnośniki
      • Podnośniki barkowe
      • Podnośniki gazowe
      • Zestawy podnośników
    • Pomoce montażowe
      • Chemia stolarska
      • Narzędzia
      • Woski retuszujące
      • Wzorniki i szablony
    • Pozostałe
      • Kratki wentylacyjne
      • Podkładki i filc
      • Przepusty kablowe
    • Prowadnice
      • Prowadnice dolnego montażu
      • Prowadnice kulkowe
      • Prowadnice rolkowe
    • Szuflady
      • Elementy uzupełniające do szuflad
      • Inne Szuflady
        • Szuflady Metabox
      • Szuflady Avantech
      • Szuflady Merivobox
      • Szuflady Unihopper
    • Uchwyty
      • Dziecięce
      • Gałki
      • Klasyczne
      • Krawędziowe
      • Relingi
      • Uchwyty krawędziowe SYMA
      • Uchwyty Meblowe Krawędziowy EleganceEdge
      • Wpuszczane
    • Wieszaki
    • Wieszaki meblowe
    • Wkręty i Konfirmaty
      • Bity
      • Kołki meblowe
      • Konfirmaty meblowe
    • Wyposażenie garderoby
      • Drążki meblowe
      • Pantografy do szafy
      • Półki wysuwane
    • Wyposażenie kuchni
      • Cargo i kosze
      • Kosze cargo
      • Kosze narożne
      • Maty do szafek i szuflad
      • Ociekarki
      • Sortowanie śmieci
      • Wkłady do szuflad
    • Zaślepki do mebli
    • Zawiasy meblowe
      • Zawiasy puszkowe
        • Elementy uzupełniające
      • Zawiasy specjalistyczne
    • Złącza meblowe
  • Fronty
    • Wypełnienia do frontów
    • Fronty aluminiowe
      • Wąskie
      • Szerokie
      • Łączone
  • Nowości
  • Promocje
  • Wyprzedaż
+48 33 8721024 info@grass-hopper.pl
Cropped Grasshopper Logo.png
Menu
  • Produkty
    • Akcesoria meblowe
      • Akcesoria meblowe
      • Dodatki do wnętrz
        • Dodatki do wnętrz
        • Krzesła i stoły
        • Lustra
        • Obrusy
        • Okleiny i naklejki
      • Elektryka i akcesoria
        • Elektryka i akcesoria
        • Akcesoria do ledów
        • Gniazda
        • Klips led
        • Oprawy LED
        • Oświetlenie
        • Przedłużacze
        • Taśmy LED
        • Włączniki
        • Zasilacze i sterowniki
      • Okucia
        • Okucia
        • Hamulce i ograniczniki
        • Kółka
        • Nogi i nóżki
        • Podpórki
        • Systemy do drzwi przesuwnych
          • Systemy do drzwi przesuwnych
          • Szczotki przeciwkurzowe
          • Uszczelki silikonowe
        • Wsporniki do półek
        • Zamki meblowe
        • Zatrzaski meblowe
        • Zawieszki
      • Podnośniki
        • Podnośniki
        • Podnośniki barkowe
        • Podnośniki gazowe
        • Zestawy podnośników
      • Pomoce montażowe
        • Pomoce montażowe
        • Chemia stolarska
        • Narzędzia
        • Woski retuszujące
        • Wzorniki i szablony
      • Pozostałe
        • Pozostałe
        • Kratki wentylacyjne
        • Podkładki i filc
        • Przepusty kablowe
      • Prowadnice
        • Prowadnice
        • Prowadnice dolnego montażu
        • Prowadnice kulkowe
        • Prowadnice rolkowe
      • Szuflady
        • Szuflady
        • Elementy uzupełniające do szuflad
        • Inne Szuflady
          • Inne Szuflady
          • Szuflady Metabox
        • Szuflady Avantech
        • Szuflady Merivobox
        • Szuflady Unihopper
      • Uchwyty
        • Uchwyty
        • Dziecięce
        • Gałki
        • Klasyczne
        • Krawędziowe
        • Relingi
        • Uchwyty krawędziowe SYMA
        • Uchwyty Meblowe Krawędziowy EleganceEdge
        • Wpuszczane
      • Wieszaki
      • Wieszaki meblowe
      • Wkręty i Konfirmaty
        • Wkręty i Konfirmaty
        • Bity
        • Kołki meblowe
        • Konfirmaty meblowe
      • Wyposażenie garderoby
        • Wyposażenie garderoby
        • Drążki meblowe
        • Pantografy do szafy
        • Półki wysuwane
      • Wyposażenie kuchni
        • Wyposażenie kuchni
        • Cargo i kosze
        • Kosze cargo
        • Kosze narożne
        • Maty do szafek i szuflad
        • Ociekarki
        • Sortowanie śmieci
        • Wkłady do szuflad
      • Zaślepki do mebli
      • Zawiasy meblowe
        • Zawiasy meblowe
        • Zawiasy puszkowe
          • Zawiasy puszkowe
          • Elementy uzupełniające
        • Zawiasy specjalistyczne
      • Złącza meblowe
    • Fronty
      • Fronty
      • Wypełnienia do frontów
      • Fronty aluminiowe
        • Fronty aluminiowe
        • Wąskie
        • Szerokie
        • Łączone
    • Nowości
    • Promocje
    • Wyprzedaż
  • Kontakt
  • O nas
  • Erozrys
  • Strefa B2B
  • Produkty
    • Kontakt
  • Kontakt
  • O nas
  • Erozrys
  • Strefa B2B
  • Strona główna
  • Blog
  • Do pobrania
  • Fronty aluminiowe
    • Łączone
    • Szerokie
    • Wąskie
  • Kasa
  • Kontakt
  • Koszyk
  • Moje konto
  • O nas
  • Obróbka szkła
  • Polityka prywatności
  • Produkty
  • Regulamin
  • Strefa płyt
Cropped Grasshopper Logo.png
  • Erozrys
  • Strefa B2B
  • O nas
  • Kontakt

Strona główna > Produkty > Akcesoria meblowe > Wkręty i Konfirmaty > Kołki meblowe > 50x Kołek uniwersalny UX 6 x 35 R długi

50x Kołek uniwersalny UX 6 x 35 R długi

50x Kołek uniwersalny UX 6 x 35 R długi

Opis produktu

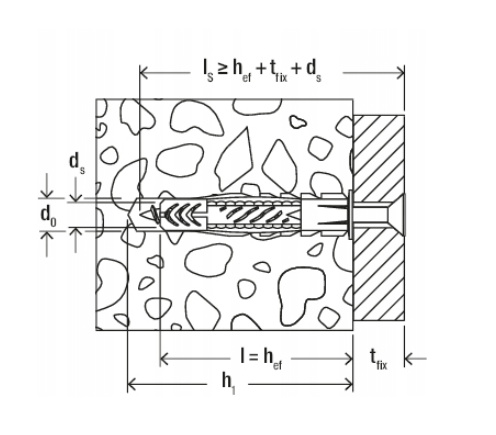
Kołek uniwersalny UX 6 x 35 R długie, z kołnierzem – 50 szt.

Dybel doskonale sprawdzi się w montowaniu:

  • Obrazów
  • Oświetlenia
  • Listw wykańczających
  • Lekkich szafek
  • Karniszy szynowych
  • Umywalek
  • Wsporników telewizyjnych
  • Mocowań sanitarnych

Kołek można wykorzystywać przy takich materiałach budowlanych jak:

  • Beton
  • Cegła pełna
  • Cegła silikatowa
  • Płyta wiórowa
  • Płyty gipsowe
  • Gazobeton
  • Pustaki z betonu lekkiego
  • Cegły silikatowe perforowane

Dane techniczne:

  • min. głębokość otworu: 45 mm
  • min. grubość płyty: 9,5 mm
  • Długość kotwy: 35 mm
  • wkręty: 4-5 mm
  • średnica: 6 mm

Zalecane wkręty: do drewna i płyt wiórowych, kotwy ASL marki Fischer

Specyfikacja

Informacje dodatkowe

Informacje prawne

Sprzedawca zobowiązał się do oferowania wyłącznie produktów zgodnych z mającymi zastosowanie przepisami prawa Unii Europejskiej.

SKU: #UX-6X35R- 50 szt. Kategorie: Akcesoria meblowe, Kołki meblowe, Wkręty i Konfirmaty

Opis produktu

Kołek uniwersalny UX 6 x 35 R długie, z kołnierzem – 50 szt.

Dybel doskonale sprawdzi się w montowaniu:

  • Obrazów
  • Oświetlenia
  • Listw wykańczających
  • Lekkich szafek
  • Karniszy szynowych
  • Umywalek
  • Wsporników telewizyjnych
  • Mocowań sanitarnych

Kołek można wykorzystywać przy takich materiałach budowlanych jak:

  • Beton
  • Cegła pełna
  • Cegła silikatowa
  • Płyta wiórowa
  • Płyty gipsowe
  • Gazobeton
  • Pustaki z betonu lekkiego
  • Cegły silikatowe perforowane

Dane techniczne:

  • min. głębokość otworu: 45 mm
  • min. grubość płyty: 9,5 mm
  • Długość kotwy: 35 mm
  • wkręty: 4-5 mm
  • średnica: 6 mm

Zalecane wkręty: do drewna i płyt wiórowych, kotwy ASL marki Fischer

Specyfikacja

Informacje dodatkowe

Informacje prawne

Sprzedawca zobowiązał się do oferowania wyłącznie produktów zgodnych z mającymi zastosowanie przepisami prawa Unii Europejskiej.

Podobne produkty

  • Uchwyt krawędziowy UA04 128/148 mm Czarny Mat Uchwyt krawędziowy UA04 128/148 mm Czarny Mat
    Akcesoria meblowe, Uchwyty

    Uchwyt krawędziowy UA04 128/148 mm Czarny Mat

    Dowiedz się więcej
  • Gałka meblowa Toronto A-0823, czarny połysk
    Akcesoria meblowe, Uchwyty

    Gałka meblowa Toronto A-0823, czarny połysk

    Dowiedz się więcej
  • Uchwyt meblowy VERA C-4909A, 192mm, czarny połysk Uchwyt meblowy VERA C-4909A, 192mm, czarny połysk
    Akcesoria meblowe, Uchwyty

    Uchwyt meblowy VERA C-4909A, 192mm, czarny połysk

    Dowiedz się więcej
  • Uchwyt meblowy UA59, 320mm, stal szczotkowana Uchwyt meblowy UA59, 320mm, stal szczotkowana
    Akcesoria meblowe, Uchwyty

    Uchwyt meblowy UA59, 320mm, stal szczotkowana

    Dowiedz się więcej
  • Uchwyt meblowy UU03, 320mm, stal szczotkowana Uchwyt meblowy UU03, 320mm, stal szczotkowana
    Akcesoria meblowe, Uchwyty

    Uchwyt meblowy UU03, 320mm, stal szczotkowana

    Dowiedz się więcej
  • Uchwyt meblowy UR45, 128mm, stare złoto Uchwyt meblowy UR45, 128mm, stare złoto
    Akcesoria meblowe, Uchwyty

    Uchwyt meblowy UR45, 128mm, stare złoto

    Dowiedz się więcej

Kontakt

Grass-Hopper Polska Sp. z o.o. Sp.K.
ul. Partyzantów 2b
34-130 Kalwaria Zebrzydowska
Strefa B2B

Nawigacja
  • Produkty
  • O firmie
  • Erozrys
  • Kontakt
Oferta
  • Fronty aluminiowe
  • Strefa B2B
  • Strefa Płyt
  • Obróbka szkła
Dokumenty
  • Do pobrania
  • Polityka prywatności
  • Regulamin
  • Moje konto
  • Szukaj
  • Koszyk 0
Copyright © Grass-Hopper Polska Sp. z o.o. Sp.K. Wszelkie prawa zastrzeżone.
Realizacja EstimaSH